Bon, suite à une demande d’un de nos habitués, j’ai fait le mod AV sur sa NES-101 (ou NES 2)
En effet cette console sort de base (pour les modèles les plus courant) en signal vidéo antenne, ce qui est fort dommage, vu que cette machine est en NTSC
Elle est sortit en 1993, uniquement aux états unis
Ses avantages sont que la machine est dézonée (les jeux US et Euro passe direct et il faut un petit adaptateur physique pour les cartouches jap), qu’il n’y a pas le système de rack amovible et donc que le slot est direct (fini les problèmes de jeux qui ne passe plus car les lamelles du connecteur sont trop oxydés et trop souples)
Enfin, comme il n’y a plus la puce CIC, le phénomène de clignotement/reboot continuel n’existe plus
Il y a aussi des nouvelles manettes, au toucher un peu plus souple que celle d’origine (mais ne vous inquiétez pas, les anciennes sont tout a fait compatibles !)
Ensuite on peut apprécier son design plus moderne pour un encombrement plus restreint
Les inconvénients sont : qu’il n’y a plus de voyant lumineux de mise sous tension et bien sur, cette unique sortie vidéo antenne (mais cela, on va y remédier)
Tuto :
Déjà, le plus simple étant de vous fournir un kit « Mod AV » ici :
http://console5.com/store/kits/av-kits/nes-toploader-nes-101-a-v-mod-kit.html
Il vous faudra en fait :
Pour le Mod vidéo :
- Q1 : Transistor 2SA933 / 2SA937 / 2 SA1037, ou équivalent
- R1 : Resistance 110 ohm
- R2 : Resistance 300 ohm
- C1 : Condensateur 220 µF, 6.3 v (polarisé)
- C2 : Condensateur 560 pF, (non polarisé)
- : connection RCA jaune (vidéo)
Pour le Mod Audio
- C1 : 1 µF, 6.3 v (polarisé)
- C2 : 1 µF, 6.3 v (polarisé)
- : 2 x connection RCA, 1 blanc et 1 rouge (audio)
Pour la démonter, il vous faudra un cruciforme et surtout le fameux tournevis Nintendo (grand modèle)
pour le démontage : http://stillplayingnes.wordpress.com/2011/08/17/cleaning-the-nes-101-top-loader
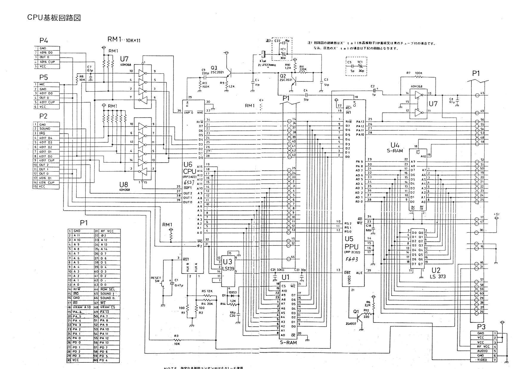
Déjà il faut repérer le PPU et sa Pin 21, une Pin de masse et une Pin 5 V
Une fois fait, déconnecter la Pin 21 (il faut la couper le plus près possible de la carte et la relever un petit peu), si vous la laissez connectée, cela marchera quand même mais vous aurez de belles lignes verticales disgracieuses visibles sur l’écran.
Assembler les composants selon le schéma et les photos ci-dessous (je vous préviens, ce n’est pas forcément évident et il faut éviter de trop monter en T° les composants lors du soudage)
Pour la partie audio, c’est bien plus simple
Mono : souder la patte négative du condensateur 1 µF sur R6 ou R7 (la patte positive sera relié au connecteur centrale de la connectique RCA audio, l’autre connecteur de la prise RCA sera bien entendu relié à la masse
Stéréo : souder la patte négative du condensateur C1 1 µF sur R6 et la patte négative de C2 sur R7 (leurs pattes positives seront reliées aux connecteurs centraux des connectique RCA audio rouge et blanche, les autres connecteurs des prises RCA sera bien entendu relié à la masse)
Pour ce qui est de l’emplacement des sorties RCA , l’idéal étant en lieu et place de l’autocollant « Nintendo service » (il faut faire attention à ce que cela ne gène pas les éléments situés derrière, une fois le tout remonté)
Et voilà, il n’y a plus qu’à tester !
les tutos en anglais que j’ai utilisés :
http://www.dutchretrogamer.nl/nes2_avmod_eng.html
http://console5.com/wiki/Nintendo_NES-101
-

