DEATH Le 22/07/2018 à 17:39 Ah ben je viens de m'apercevoir que j'ai mal recadré l'image… pas grave
Tu les as refaits ? Ou tu as trouvé ça quelque part ?

—
Zeroblog —
« Tout homme porte sur l'épaule gauche un singe et, sur l'épaule droite, un perroquet. » —
Jean Cocteau
« Moi je cherche plus de logique non plus. C'est surement pour cela que j'apprécie les Ataris, ils sont aussi logiques que moi ! » —
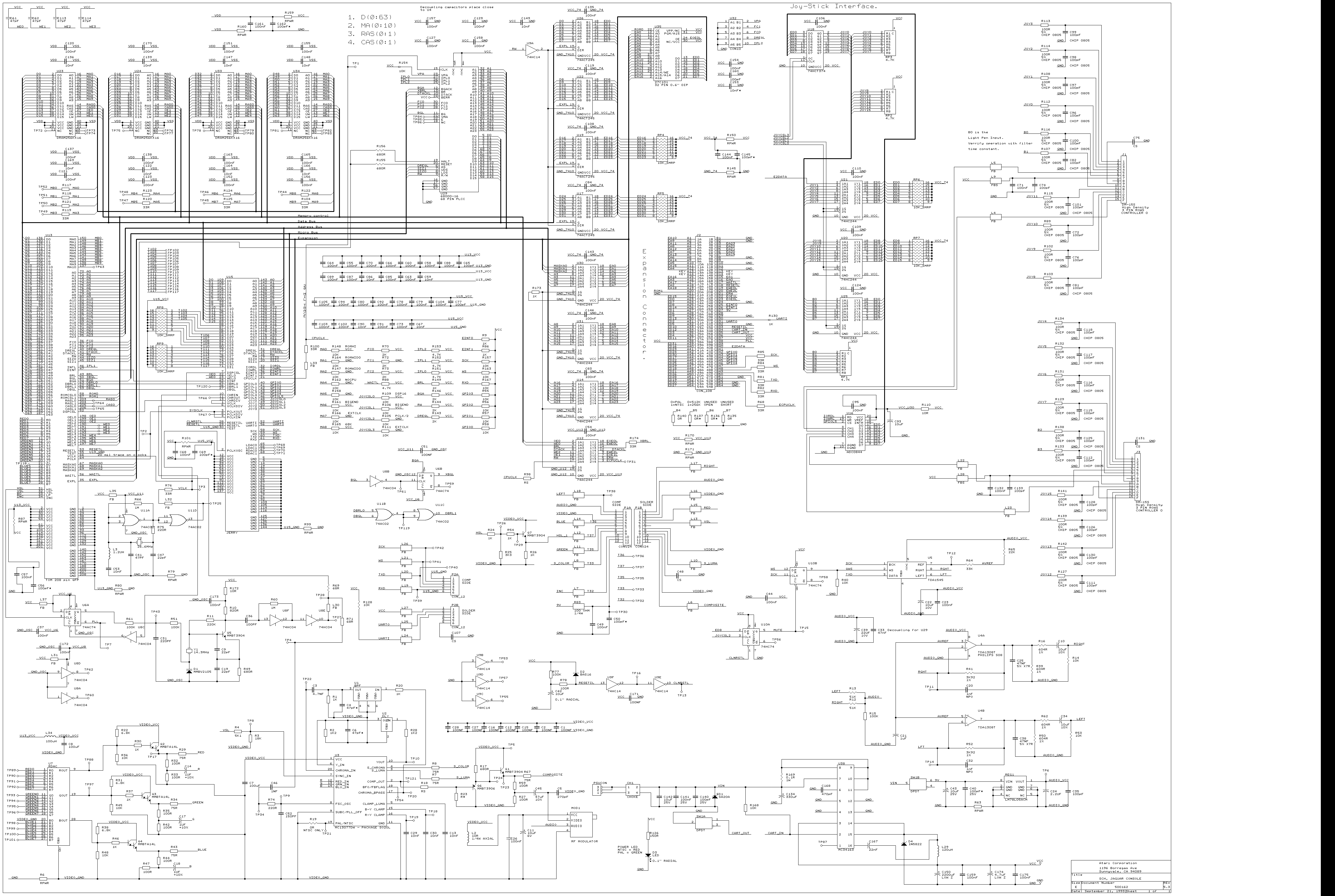
GT Turbo DEATH Le 22/07/2018 à 17:49 je les avait trouvé sur un site… Alors lequel…. C'était en PDF, j'ai juste extrait les images avec un utilitaire en ligne.
Si tu veux je peux essayer de retrouver le site, mais il me semble me rappeler que c'était pour un projet sur sourceforge…. peut être pour virtualjaguar… chéplu
DEATH Le 22/07/2018 à 19:02 Alors j'ai un mal de chien à retrouver la source… Pas sur du tout que ce soit sur un site genre sourceforge ou GitHub.
En fait ça vient d'un fichier qui s'appelle "asics_new.zip" il y a plusieurs chose dedans rapport à plusieurs machines, des pdf, des DWG...
Dans l'arborescence "ASICs_new\Atari_ASICs\PCB\jaguar" il y a entre autre un fichier "Atari_jaguar_console.pdf" qui est visiblement une conversion d'un DWG. Le DWG ne semble pas présent, en tout cas pas dans cette arborescence.
Après, pour me souvenirs d'où j'ai eu ce fichier…. j'ai tellement de merdier de droite et de gauche pas classé… Moi même je ne me suis aperçu que récemment qu'il contenait ces fichiers alors que je l'ai depuis longtemps !
DEATH Le 02/08/2018 à 00:48 Pour la Wonderswan il n'est pas impossible non plus que les plans/schémas/fichiers n'existe plus.
C'est possible, mais peut-être qu'ils traînent encore quelque part dans les archives de Bandai ou de Qute.

—
Zeroblog —
« Tout homme porte sur l'épaule gauche un singe et, sur l'épaule droite, un perroquet. » —
Jean Cocteau
« Moi je cherche plus de logique non plus. C'est surement pour cela que j'apprécie les Ataris, ils sont aussi logiques que moi ! » —
GT Turbo