En parallèle de mon projet de remplacement de LCD de ma Roland TD6 qui a quelques années déjà (procrastination) j’entreprends le changement de l'écran LCD de ma Roland TD12. En gros ces batteries (musicales) électroniques sont de bonne facture mais leur talon d’Achille c'est leur LCD méga fragile (COG) qui se prête mal à l'activité de batteur (bah oui les COG ça n'aime pas les chocs).
L'écran de la Roland TD-12 n'est plus fabriqué. Il s'agit d'un petit LCD (ref constructeur NCOG090H30, je n'ai toujours pas trouvé de datasheet) graphique monochrome en 240 x 64 pixels qui a besoin d'un rétroéclairage externe. Il dispose de 2 nappes toutes fines (une avec 16 connecteurs l'autre avec 20) qui sont abîmées et ne font plus contact avec la carte adaptatrice (qui n'a que des composants passifs et qui gère le backlight et communique avec la carte mère via une nappe 10 broches). Je regarde actuellement si je peux dessouder ces nappes au niveau du LCD pour les remplacer par de petits fils mais ça m'a l'air "soudé" sous le verre du LCD et une couche d'epoxy donc je ne pense pas pouvoir toucher à ça sans péter le LCD.
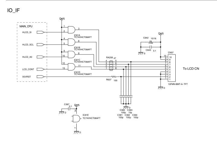
Quelques images issues du service manual :
Schéma mécanique de la liaison carte mère-écran :
Schéma électrique (où l'on voit que la partie LCD est en 5V alors que la carte mère a des signaux logiques en 3.3V) :
Schéma électronique (où l'on voit la mention SCL qui me fait penser (à tord ?) à un LCD I2C) :
Du coup ma question c'est par quoi remplacer cet écran ? Est-il compatible I2C ? Si oui j'imagine qu'un écran de même taille (64x240) avec un petit microcontrôleur pour éventuellement interfacer peut faire le job ? Merci d'avance pour vos retours



